CANopen, Modbus, EtherCAT 버스 및 펄스와 같은 다양한 제어 방법을 지원하는 저전압 서보 시스템이 장착 된 휠 직경이 250mm 인 AGV 용으로 일반적으로 사용되는 수평 스티어링 휠; 유성 감소 기어 박스는 높은 베어링과 높은 신뢰성의 특성을 가지고 있습니다. 외부 브레이크 및 쉽게 분리 가능한 휠 디자인은 낮은 열 발생, 낮은 고장률 및 쉬운 유지 보수의 특성을 가지고 있습니다. 회전 메커니즘은 고정밀 제어를 달성하기 쉬운 단단한 톱니 표면 기어 연삭 공정을 사용하여 만들어집니다.
| 주요 성능 매개 변수 | |||
| 모델 | HW250-SM1500-48 | HW250-SM2500-48 | |
| 향수 지수 | 매개 변수 | 매개변수 | |
| 여행 모터 | 모터 유형 | 영구 자석 동기 서보 모터 | 영구 자석 동기 서보 모터 |
| 모터 힘 KW | 1.5 | 2.5 | |
| 전압 V | 48 | 48 | |
| 정격 현재 A | 37.4 | 61 | |
| 정격 토크 Nm | 5 | 7.96 | |
| 정격 속도 r/min | 3000 | 3000 | |
| 인코더 유형 | 경사 | 경사 | |
| 기어 박스 | 감속기 유형 | 2 차 기어 감속 | 2 차 기어 감속 |
| 감속기 비율 | 37.43:1 | 31.43 | |
| 브레이크 | 브레이크 토크 Nm | 8 | 16 |
| 정격 전압 | DC24 | DC24 | |
| 휠 | 타이어 소재 | 폴리우레탄/고무 | 폴리우레탄/고무 |
| 휠 크기 | Φ250X100 | Φ250X100 | |
| 스티어링 부분 | 모터 유형 | 영구 자석 동기 서보 모터 | 영구 자석 동기 서보 모터 |
| 모터 힘 KW | 0.4 | 0.4 | |
| 전압 V | 48 | 48 | |
| 정격 현재 A | 10.1 | 10.1 | |
| 정격 토크 Nm | 1.27 | 1.27 | |
| 정격 속도 r/min | 3000 | 3000 | |
| 감속기 유형 | 2 차 기어 감속 | 2 차 기어 감속 | |
| 감소 비율 | 196:1 | 327:1 | |
| 인코더 유형 | 경사 인코더/절대 인코더 | 경사 인코더/절대 인코더 | |
| 기타 | 스티어링 제한 각도 | ± 110 ° | ± 110 ° |
| 여행 속도 m/min | 0-70 | 0-75 | |
| 정격 견인 N | 1140 | 1800 | |
| 운반 용량 Kg | 1500 | 1500 | |
| 순중량 Kg | 51 | 52 | |
| 모바일 로봇 (AGV), 팔레트 스태커, 팔레트 트럭, 청소부, 공중 작업 트럭 등에 사용됩니다. | |||

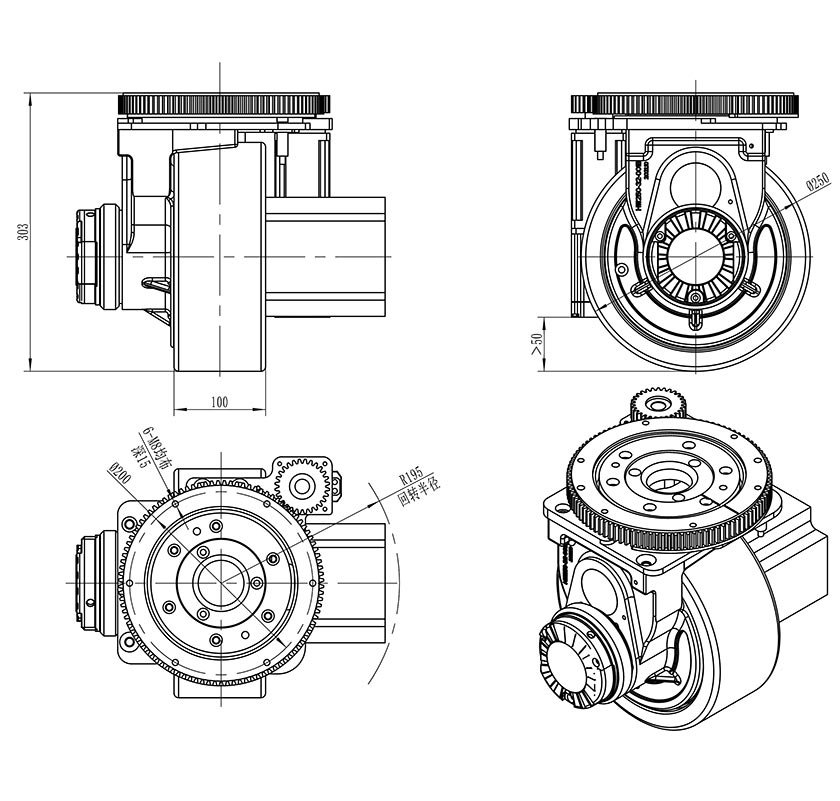
수평 스티어링 ("수평 드라이브") 디자인
휠은 수평 축을 따라 피벗/스티어링하며, 구동 유닛이 평면 내에서 조종해야하는 AGV 설계에 적합합니다.
다중 제어 인터페이스 지원
CANopen, Modbus, EtherCAT 및 펄스 기반 제어를 지원합니다.
높은 신뢰성 행성 (보조) 기어 박스
우수한 베어링 용량과 신뢰성을 갖춘 2 차 감속 기어 박스를 사용합니다.
외부 브레이크 & 탈착식 휠 디자인
휠은 분리 가능하며 외부 브레이크 메커니즘을 포함합니다.
스티어링 메커니즘을위한 단단한 톱니 표면 기어 연삭
회전 (조향) 메커니즘은 치아 표면에 기어 연삭 공정을 사용하여 고정밀 제어를 달성합니다.
두 가지 성능 변형 (HW250-SM1500-48 및 HW250-SM2500-48)
일부 사양 차이:
| 매개 변수 | HW250-SM1500-48 | HW250-SM2500-48 |
여행 모터 힘 | 1.5 kW | 2.5 kW |
정격 여행 토크 | 5 Nm | 7.96 Nm |
기어 감속 비율 (드라이브) | 37.43:1 | 31.43 |
브레이크 토크 | 8 Nm | 16 Nm |
휠 크기/타이어 | Ø250 × 100mm, 폴리우레탄/고무 | 같은 |
스티어링 모터 & 감소 | 0.4 kW, 196:1 (또는 327:1 변형) | 같은 |
스티어링 제한 각도 | ± 110 ° | ± 110 ° |
여행 속도 | 0-70 m/min | 0-75 m/min |
정격 견인 | 1140 N | 1800 N |
운반 용량 | 1500 kg | 1500 kg |
순중량 | 51 kg | 52 kg |
의도 응용 프로그램 도메인
모바일 로봇 (AGV), 팔레트 스태커, 팔레트 트럭, 청소부, 공중 작업 플랫폼 등을 위해 설계되었습니다.
이러한 기능에서 실제 사용에서 장점 (또는 의미) 은 다음과 같습니다.
높은 부하 용량
1,500 kg의 운반 용량으로, 이 휠은 무거운 AGV 또는 재료 취급 용도 (예: 큰 하중, 팔레트 시스템) 에 적합합니다.
강한 견인
정격 견인 (고출력 버전에서 최대 1,800 N) 은 무거운 하중 또는 까다로운 조건에서도 좋은 그립을 의미합니다.
속도와 토크의 유연성
두 가지 변형을 통해 원하는 토크 대 속도 절충에 따라 선택할 수 있습니다. 고출력 버전은 더 높은 토크와 약간 더 높은 최고 속도를 제공합니다.
정밀 조향 및 제어
로터리 메커니즘에 기어 연삭을 사용하고 정확한 제어 프로토콜 (CANopen, EtherCAT 등) 을 지원하면 타이트하게 달성 할 수 있습니다. 정확한 조향 성능-좁은 통로나 복잡한 운동 경로에서 중요합니다.
유지 보수의 용이성
휠이 분리 가능하고 브레이크가 외부에 있기 때문에 부품의 서비스, 교체 또는 수리가 더 간단하여 가동 중지 시간이 단축됩니다.
믿을 수 있고 튼튼한 기계적인 디자인
유성 기어 박스, 우수한 베어링 설계, 외부 브레이크 및 신중한 기어 제조는 하중 사이클에서 고장률, 수명 연장 및 안정적인 성능에 기여합니다.
제어 통합의 좋은 범위
다중 제어 버스 및 펄스 기반 제어를 지원하면 시스템 아키텍처에서 유연성을 얻을 수 있습니다 (예: 제어 전자 장치가 CANopen 또는 EtherCAT를 사용하는 경우 직접 통합 할 수 있음).
괜찮은 속도 기능
~ 70-75 m/min 까지의 여행 속도는 많은 산업 자재 운송 응용 분야에 합리적입니다.
소형 조향 각도
스티어링의 ± 110 ° 는 조향 메커니즘이 과도하게 회전 할 필요가 없거나 매우 큰 물리적 클리어런스를 요구하는 것을 보장하면서 유연성을 제공합니다.
AGV를 위한 드라이브 시스템 솔루션을 위해 저희에게 연락하십시오.
이메일:
주소:
No. 17, Jingwu Road, Pingdu Economic Development Zone, Qingdao, Shandong 266700, China.